产品设备我们

首页 纺织化纤旋转接头

SC-O系列 无纺布设备用旋转接头

SC-O系列 无纺布设备用旋转接头

产品简介

产品特点:
1、反球面密封设计
2、标准石墨或浸锑石墨密封材料
3、双无油轴承支撑
4、支撑间距最大化
5、延长密封寿命,提高可靠性
6、易于更换
7、旋转式或固定式虹吸器

产品详情

产品构成PRODUCT MIX

SCRN090Q-2013-1


1、弯头

2、壳体

3、端盖

4、外管

5、石墨环

6、无油轴承

7、弹簧

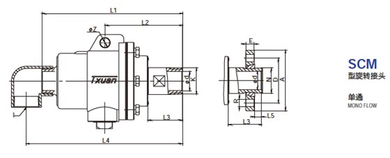
技术参数PARAMETERS

安装尺寸表SIZE TABLE

SC图纸1

SC图纸2

型号表MODEL TABLE

SC选型表

现场安装图
The installation

无纺布设备用旋转接头

泰州科世茂

纺织行业用SC型旋转接头

相关资讯
Information

关于“腾旋产品”的相关产品

GE机床高速旋转接头|中心出水旋转接头GE机床高速旋转接头|中心出水旋转接头GP GPA机床用高速旋转接头-腾旋科技GP GPA机床用高速旋转接头-腾旋科技

GC GCA通冷却液 液压油旋转接头/高速旋转接头GC GCA通冷却液 液压油旋转接头/高速旋转接头BWLR 导热油旋转接头BWLR 导热油旋转接头

BQ型 导热油旋转接头(高温高速旋转接头)BQ型 导热油旋转接头(高温高速旋转接头)SC-O型 导热油旋转接头SC-O型 导热油旋转接头

MCW8-14KS小挖机用中央回转接头(可按需定制)MCW8-14KS小挖机用中央回转接头(可按需定制)HS-XF080  水用旋转接头(金纬专用)HS-XF080 水用旋转接头(金纬专用)

BE型水用旋转接头BE型水用旋转接头SCB型蒸汽旋转接头SCB型蒸汽旋转接头

H型 水用旋转接头H型 水用旋转接头旋转接头定制旋转接头定制

MCN6-18工程机械用中央回转接头MCN6-18工程机械用中央回转接头CEM水用旋转接头CEM水用旋转接头

MCN24-34大包回转台专用液压旋转接头MCN24-34大包回转台专用液压旋转接头MCW3-14中央回转接头MCW3-14中央回转接头

MCW10-250 盾构机用中央回转接头MCW10-250 盾构机用中央回转接头15.03m泥水盾构机用中央回转接头15.03m泥水盾构机用中央回转接头

SN型 蒸汽旋转接头SN型 蒸汽旋转接头Q型旋转接头(蒸汽旋转接头)Q型旋转接头(蒸汽旋转接头)

SCB型蒸汽旋转接头SCB型蒸汽旋转接头GS HCSS纸机用旋转接头GS HCSS纸机用旋转接头

QQ型 蒸汽旋转接头QQ型 蒸汽旋转接头QQS-PT040蒸汽旋转接头QQS-PT040蒸汽旋转接头

QS-YM45X3蒸汽旋转接头QS-YM45X3蒸汽旋转接头BE型 冷却水旋转接头(食品行业)BE型 冷却水旋转接头(食品行业)

GT GTA机床用高速旋转接头GT GTA机床用高速旋转接头BWLR 干燥设备用旋转接头BWLR 干燥设备用旋转接头

SCM200Q旋转接头SCM200Q旋转接头SCRT400蒸汽旋转接头SCRT400蒸汽旋转接头

SC型 干燥设备用旋转接头SC型 干燥设备用旋转接头BQ高温高速旋转接头BQ高温高速旋转接头

BE型冷却水旋转接头(塑胶行业)BE型冷却水旋转接头(塑胶行业)GSM 蒸汽旋转接头GSM 蒸汽旋转接头

GW010LB分体式高压高速旋转接头GW010LB分体式高压高速旋转接头阳离子淀粉连续蒸煮系统阳离子淀粉连续蒸煮系统

KRS型旋转接头KRS型旋转接头SCP蒸汽旋转接头SCP蒸汽旋转接头

GEH010高压高速机床旋转接头GEH010高压高速机床旋转接头【斯图特磨床】高精度零部件加工φ350  X370 Z1150mm B240°(精度±1μm))【斯图特磨床】高精度零部件加工φ350 X370 Z1150mm B240°(精度±1μm))

真空旋转接头真空旋转接头打桩机专用中央回转接头|MCW3-32CK中心回转体打桩机专用中央回转接头|MCW3-32CK中心回转体

GT010LB-B4Z机床高速旋转接头GT010LB-B4Z机床高速旋转接头消防车专用中央回转接头消防车专用中央回转接头

MCN13-20气液旋转接头|气液滑环MCN13-20气液旋转接头|气液滑环工程机械MC系列中央回转接头工程机械MC系列中央回转接头

盾构机用中央回转接头MCW12-37ZT盾构机用中央回转接头MCW12-37ZTMCW6-19SY中央回转接头MCW6-19SY中央回转接头

BWL 无纺布烫光机用导热油旋转接头BWL 无纺布烫光机用导热油旋转接头管廊盾构机用中央回转接头MCW3-20ZT管廊盾构机用中央回转接头MCW3-20ZT

6米盾构机用中央回转接头MCW10-50KG6米盾构机用中央回转接头MCW10-50KGDEPAC301型带安全密封集装式机械密封DEPAC301型带安全密封集装式机械密封

DEPAC196静态结构推进型机械密封DEPAC196静态结构推进型机械密封DEPAC270单端面经济型集装式机械密封DEPAC270单端面经济型集装式机械密封

DEPAC186动态结构推进型机械密封DEPAC186动态结构推进型机械密封DEPAC322双端面压力平衡集装式机械密封DEPAC322双端面压力平衡集装式机械密封

DEPAC机械密封DEPAC机械密封盾构机用中央回转接头MCW12-37ZT盾构机用中央回转接头MCW12-37ZT

【新品】太阳能集热器专用旋转接头【新品】太阳能集热器专用旋转接头GM GMA通冷却液旋转接头/机床用高速旋转接头-腾旋科技GM GMA通冷却液旋转接头/机床用高速旋转接头-腾旋科技

GCI通冷却液液压旋转接头/机床用高速旋转接头-腾旋科技GCI通冷却液液压旋转接头/机床用高速旋转接头-腾旋科技BWLR 导热油旋转接头BWLR 导热油旋转接头

BWLR 导热油旋转接头BWLR 导热油旋转接头SGJ-FILL080旋转接头SGJ-FILL080旋转接头

SGJ-Q旋转接头(关节接头)SGJ-Q旋转接头(关节接头)CEM 水用旋转接头CEM 水用旋转接头

涂料筛涂料筛RHG水用旋转接头RHG水用旋转接头

RHG旋转接头RHG旋转接头QS-YM36*4旋转接头QS-YM36*4旋转接头

QS-YM36*4旋转接头QS-YM36*4旋转接头QS-YM36*4 蒸汽旋转接头QS-YM36*4 蒸汽旋转接头

SGJ-F旋转接头SGJ-F旋转接头H型 冷却水旋转接头H型 冷却水旋转接头

Q型旋转接头Q型旋转接头QS-YM45X3旋转接头QS-YM45X3旋转接头

H型 冷却水旋转接头H型 冷却水旋转接头SC-O系列 高温导热油旋转接头SC-O系列 高温导热油旋转接头

H型 冷却水旋转接头H型 冷却水旋转接头HS-XF080  水用旋转接头(金纬专用)HS-XF080 水用旋转接头(金纬专用)

SC-O系列 片板材生产线用旋转接头SC-O系列 片板材生产线用旋转接头MCW2-25中央回转接头MCW2-25中央回转接头

MCW16-20连续油管车中央回转接头MCW16-20连续油管车中央回转接头MCN15-20工程机械用中央回转接头MCN15-20工程机械用中央回转接头

MCN13-20挖机用中央回转接头MCN13-20挖机用中央回转接头MCW8-14YC5挖机用中央回转接头MCW8-14YC5挖机用中央回转接头

MCW2-14BD抓斗机用中央回转接头MCW2-14BD抓斗机用中央回转接头MCW6-19SY中央回转接头MCW6-19SY中央回转接头

SGJ-FL170摆臂关节用旋转接头SGJ-FL170摆臂关节用旋转接头QGX 蒸汽旋转接头QGX 蒸汽旋转接头

QGX旋转接头QGX旋转接头SC-O系列 压延机用旋转接头SC-O系列 压延机用旋转接头

QS-YM45X3旋转接头QS-YM45X3旋转接头QQ型 瓦楞纸机用旋转接头QQ型 瓦楞纸机用旋转接头

QQS-PT040瓦楞纸机周边加热瓦楞辊用旋转接头QQS-PT040瓦楞纸机周边加热瓦楞辊用旋转接头SN型 印染用旋转接头SN型 印染用旋转接头

SNS型 旋转接头SNS型 旋转接头SCRT400蒸汽旋转接头SCRT400蒸汽旋转接头

SN蒸汽型旋转接头SN蒸汽型旋转接头SGJ-F旋转接头SGJ-F旋转接头

SGJ-Q旋转接头(关节接头)SGJ-Q旋转接头(关节接头)GW高压旋转接头GW高压旋转接头

数控车床-立式 φ1600*1200mm(精度:0.01mm)数控车床-立式 φ1600*1200mm(精度:0.01mm)五轴卧式加工中心五轴卧式加工中心

液压阀块液压阀块集成液压油路阀块集成液压油路阀块

精控产品精控产品精控产品精控产品

HD-F080水用旋转接头HD-F080水用旋转接头波纹管补偿器波纹管补偿器

金属软管金属软管叶轮加工叶轮加工

波纹补偿器波纹补偿器流体连接器流体连接器

BQ 干燥设备用旋转接头BQ 干燥设备用旋转接头O型圈O型圈

MCW3-14中央回转接头MCW3-14中央回转接头BE型水用旋转接头(钢铁行业)BE型水用旋转接头(钢铁行业)

BE型旋转接头(轮胎行业)BE型旋转接头(轮胎行业)BE型 水用旋转接头(定型机、压延机用)BE型 水用旋转接头(定型机、压延机用)

BE型旋转接头(风电行业)BE型旋转接头(风电行业)BE型冷却水旋转接头(印刷行业)BE型冷却水旋转接头(印刷行业)

BE型拉边机用旋转接头(玻璃行业)BE型拉边机用旋转接头(玻璃行业)