1、弯头
2、壳体
3、外管
4、内管
5、X型密封环
6、止推垫圈
ML型高速液压旋转接头(液压滑环)ML02R038F-A18 风力发电液压旋转接头
ML风力发电用液压旋转接头高温水旋转接头HS-XF080
驱动端转炉旋转接头(液压旋转接头)SGJ关节旋转接头(液压旋转接头)
ML风力发电用旋转接头MR08R003F-A1H多通道气密性旋转接头
ML05R003F气密性旋转接头|多通路旋转接头ML02R003F多通路气密性旋转接头
ML型高速液压旋转接头BEER型旋转接头
游动端转炉旋转接头(液压旋转接头)CI型水用旋转接头
CH型 水用旋转接头BEER型旋转接头
H型 冷却水旋转接头ML型高速气动旋转接头
5通路驱动端旋转接头(高压旋转接头)8通路游动端旋转接头(高压旋转接头)
焦化-煤干燥机专用旋转接头H型 冷却辊用旋转接头
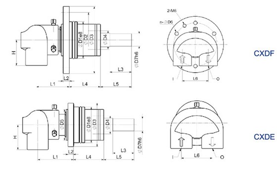
大包回转台液压旋转接头CX型旋转接头
CI型扇形段用旋转接头CH型扇形段用旋转接头
您知道一台合格的液压旋转接头,在腾旋出厂前都要经历什么吗?腾旋惊艳出击,回转接头闪耀工程机械bauma展!锂电行业如何避免涂布机旋转接头引发的不必要损失?金秋三展齐开,腾旋科技创新焕发新活力!腾旋即将亮相2024德国汉堡风能展,展示中国风电液压滑环硬实力!