产品构成PRODUCT MIX
1.双通弯头
2.铜壳体
3.不锈钢外管
4.内管
5.密封组
6.静环座
7.弹簧
技术参数PARAMETERS
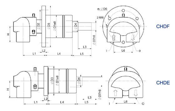
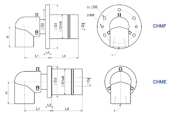
安装尺寸表SIZE TABLE
型号表MODEL TABLE
现场安装图
The installation
扇形段用旋转接头
达涅利
西马克



ML型高速液压旋转接头(液压滑环)
ML02R038F-A18 风力发电液压旋转接头
ML风力发电用液压旋转接头
高温水旋转接头HS-XF080
驱动端转炉旋转接头(液压旋转接头)
SGJ关节旋转接头(液压旋转接头)
MR08R003F-A1H多通道气密性旋转接头
ML05R003F气密性旋转接头|多通路旋转接头
ML型高速液压旋转接头
BEER型旋转接头
游动端转炉旋转接头(液压旋转接头)
CX型水用旋转接头
CI型水用旋转接头
CH型 水用旋转接头
H型 冷却水旋转接头
ML型高速气动旋转接头
5通路驱动端旋转接头(高压旋转接头)
8通路游动端旋转接头(高压旋转接头)
焦化-煤干燥机专用旋转接头
大包回转台液压旋转接头